Трехэксцентриковый затвор дисковый фланцевый SB43
Ду
50~2400 (2"~96")
Ру
0.6~6.4 (Class150~900)
Рабочая температура
-59°C~850°C
Присоединение
Межфланцевое
Направление установки
Одностороннее, двустороннее
Конструкция
GB/T12238, BS EN593, API609
Строительная длина
GB/T12221, BS EN558-1
Соединения к трубе
GB/T9113, ASME B16.5, EN1092, GOST12820, GOST33259, DIN2501
Соединения к приводу
ISO5211, GOST55510
Инспекция
GB/T13927, ISO5028, API598, JB/T9092
Корпус
WCB, LCC, LC1, WC6, CF8, CF8M, 321, 316Ti, 904L, 310S
Диск
WCB, LCC, LC1, WC6, CF8, CF8M, 321, 316Ti, 904L, 310S
Шток
420, 17-4PH, 304, 316, 321
Седло
304+Graphite, 316+Graphite, EPDM, NBR, PTFE, Viton, Metal to metal
Особенности & Преимущества
SB43 имеет специальную конструкцию. Когда затвор открывается и закрывается, сопротивление трению между седлом и диском невелико, а процесс открывания и закрывания является экономичным и гибким. Уплотнительное кольцо для диска имеет многоуровневую конструкцию, хорошую герметичность и стабильность. Он подходит для различных промышленных жидкостных систем и условий работы при высоких температурах и высоком давлении.
Соединение штока может иметь различную форму (квадратную или круглую + шпонку) для подключения привода.
Можно выбрать площадки под привод, что позволяет устанавливать редуктор, электрические или пневматические приводы в соответствии с различными стандартами.
Уплотнительный материал из ПТФЭ (или армированного графита) может эффективно повысить герметичность штока. Для уменьшения крутящего момента при открывании и закрывании и повышения трудоемкости операции можно выбрать подшипник.
Можно выбрать материал фиксатора (Примечание: Материал болтов и гаек совпадает с материалом фиксатора). Фиксатор может надежно фиксировать положение уплотнительного кольца в диске, обеспечивать герметичность и возможность ремонта и замены уплотнительного кольца.
Можно выбрать различные материалы для изготовления диска. Усиливающие ребра делают его более прочным и не поддающимся деформации.
Цельная конструкция, лучшая несущая способность, различные материалы могут быть выбраны в соответствии с различными средами.
Можно выбрать многослойное уплотнительное кольцо или уплотнительное кольцо "металл-металл". В то же время для различных условий работы могут быть выбраны различные материалы.
Для уменьшения крутящего момента на штоке могут быть выбраны подшипники. В зависимости от условий работы могут быть выбраны различные материалы.
Посадочное место для жесткого соединения металла с металлом может применяться в средах с высокой температурой и высоким давлением. Посадочное место может быть выполнено из стеллита для наплавки или других материалов с высокой износостойкостью и коррозионной стойкостью.
Отраслевые варианты
| Materials | Characteristics | Low Temp. ℃ | High Temp. ℃ | Recommended ℃ |
| NR | High elasticity | -20 | 85 | -5~70 |
| NBR | Oil resistivity | -30 | 100 | -15~90 |
| EPDM | Aging resistance, ozone resistance, corrosion resistance | -40 | 125 | -25~110 |
| FPM (Viton) | Chemical and most oils resistance, (except ketones & esters) | -20 | 200 | -5~150 |
| MVQ (Silicon) | High and low temperature resistance, oil, corrosion resistance | -55 | 200 | -30~180 |
| PTFE | Heat, cold, acid, alkali, organic solvents resistant | -60 | 180 | -45~150 |
| RPTFE | Corrosion resistance, low friction coefficient | -60 | 180 | -45~150 |
| Flexibale graphite | Cold and hot resistant, corrosion resistant, self-lubricating | -196 | 600 | -60~550 |
| Ceramic fiber | Fire, high temperature resistance, low thermal conductivity | -196 | 1050 | -60~950 |
| Metal to metal | High temperature, high pressure, wear, corrosion resistance | Refer to the metal material | ||
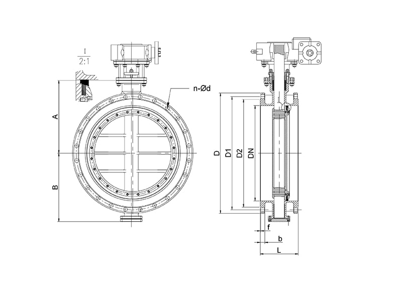
Размеры
GB/T 9113 PN16
| DN | L | D | D1 | D2 | b | f | n-Φd | B |
| 50 | 108 | 165 | 125 | 102 | 18 | 3 | 4-18 | 82 |
| 65 | 112 | 185 | 145 | 122 | 18 | 3 | 4-18 | 92 |
| 80 | 114 | 200 | 160 | 138 | 20 | 3 | 8-18 | 100 |
| 100 | 127 | 220 | 180 | 158 | 20 | 3 | 8-18 | 110 |
| 125 | 140 | 250 | 210 | 188 | 22 | 3 | 8-18 | 125 |
| 150 | 140 | 285 | 240 | 212 | 22 | 3 | 8-22 | 180 |
| 200 | 152 | 340 | 295 | 268 | 24 | 3 | 12-22 | 202 |
| 250 | 165 | 405 | 355 | 320 | 26 | 3 | 12-26 | 235 |
| 300 | 178 | 460 | 410 | 378 | 28 | 4 | 12-26 | 265 |
| 350 | 190 | 520 | 470 | 438 | 30 | 4 | 16-26 | 305 |
| 400 | 216 | 580 | 525 | 490 | 32 | 4 | 16-30 | 335 |
| 450 | 222 | 640 | 585 | 550 | 40 | 4 | 20-30 | 365 |
| 500 | 229 | 715 | 650 | 610 | 44 | 4 | 20-33 | 405 |
| 600 | 267 | 840 | 770 | 725 | 54 | 5 | 20-36 | 445 |
| 700 | 292 | 910 | 840 | 795 | 40 | 5 | 24-36 | 520 |
| 800 | 318 | 1025 | 950 | 900 | 42 | 5 | 24-39 | 605 |
| 900 | 330 | 1125 | 1050 | 1000 | 44 | 5 | 28-39 | 655 |
| 1000 | 410 | 1255 | 1170 | 1115 | 46 | 5 | 28-42 | 715 |
| 1200 | 470 | 1485 | 1390 | 1330 | 52 | 5 | 32-48 | 840 |
| 1400 | 530 | 1685 | 1590 | 1530 | 58 | 5 | 36-48 | 980 |
| 1600 | 600 | 1930 | 1820 | 1750 | 64 | 5 | 40-56 | 1125 |
| 1800 | 670 | 2130 | 2020 | 1950 | 68 | 5 | 44-56 | 1240 |
| 2000 | 760 | 2345 | 2230 | 2150 | 70 | 5 | 48-62 | 1380 |
Скачать
View 3D models → www.seallon.com → Product Pages → Closer Look
Практические применения
-
Исследование: Мягкое (гибкое) седло VS металлического седла в дисковых поворотных затворах
-
Исследование: Затворы дисковые поворотные для высоких температур: руководство по выбору и производству
-
Исследование: Какие типы электрических приводов для клапанов?
-
Исследование: Могут ли дисковые затворы выдерживать высокие температуры или агрессивные среды?
-
Исследование: Какие методы привода используются для дисковых затворов?
-
Исследование: Какие характеристики потока имеют дисковые затворы?
-
Исследование: Являются ли дисковые затворы направленными?
-
Исследование: Можно ли использовать дисковые затворы для дросселирования или регулирования потока?
-
Исследование: Каковы различные методы упрочнения поверхности клапанов?
-
Исследование: Какие существуют различные типы дисковых затворов?
-
Исследование: Что такое неразрушающий контроль (NDT) клапанов?
-
Исследование: Различия между симметричными, двухэксцентриковыми, трехэксцентриковыми затворами и их особенности, применение
-
Затворы дисковые поворотные SB43 были использованы на №5 ТЭЦ в Минске, Беларусь
-
Затворы SB63 с тройным эксцентриком, приваренные встык, были поставлены для электростанции в Красноярске, Россия
-
Трехэксцентриковые затворы SB43 были использованы на заводе "Беларуськалий"
Отправить запрос
© 2022 Seallon Flow Technology Co.,Ltd. All Rights Reserved